Generic selectors
Exact matches only
Search in title
Search in content
Post Type Selectors

WELTWEITER EXPORT

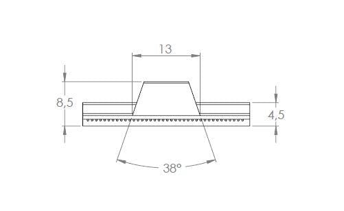
PU Zahnriemen TK10-K13

Produktinformationen – PU Zahnriemen TK10-K13

Merkmal Spezifikation
Shore-Härte (A) 92° Shore A
Gewicht pro Meter +/- 50 g/10 mm Riemenbreite
Zugträger Stahl
Minimale Anzahl der Zahnscheibenzähne 22
Breitentoleranz +/- 0.5 mm
Minimale Riemenscheibendurchmesser 70 mm
Dicktoleranz +/- 0.3 mm
Minimale Gegenbiegung 70 mm
Längentoleranz +/- 0.8 mm/m

PU Zahnriemen TK10-K13 – Standardbreiten (Zwischengrößen möglich)

Breite (mm) Verfügbarkeit
25 Verfügbar
32 Verfügbar
50 Verfügbar
75 Verfügbar
100 Verfügbar
150 Verfügbar

Verfügbare Zugträgertypen

Typ Beschreibung
Stahl Standard-Zugträger
Stahl (Flexibel) Flexibler Stahl-Zugträger
Kevlar Kevlar-Zugträger für spezielle Anwendungen
Edelstahl Edelstahl-Zugträger für hohe Korrosionsbeständigkeit

Verfügbare Varianten

  • PU Zahnriemen TK10-K13, offen
  • PU Zahnriemen TK10-K13, verschweißt
  • PU Zahnriemen TK10-K13, Wickel
  • PU Zahnriemen TK10-K13, pin join

Für diese und weitere Varianten: Produkt bitte Anfragen und Wünsche in das Notizfeld schreiben.

NICHT DAS PASSENDE DABEI?
KONTAKTIEREN SIE UNS FÜR EINE INDIVIDUELLE SONDERANFERTIGUNG!

WIR SIND EXPERTE FÜR SONDERZAHNRIEMEN UND ZAHNRIEMENVEREDELUNG

Seit 1992 entwickeln wir maßgeschneiderte Antriebslösungen – schnell, präzise und international. Mit Standorten in Deutschland und Europa sowie weltweitem Export bieten wir:

  • Individuelle Fertigung nach Ihren Vorgaben
  • Breites Sortiment: Zahnriemen, Nocken, Beschichtungen, Zahnscheiben & mehr
  • Persönliche Beratung & kurze Lieferzeiten
  • Qualität und Erfahrung aus über 30 Jahren

Präzision, die bewegt. Weltweit.

Generic selectors
Exact matches only
Search in title
Search in content
Post Type Selectors

Noch Fragen?
Unsere Expert*innen helfen gerne weiter!